HOME > 電子工作
PIC24FJ64GC006を用いて簡易オシロスコープ(リアルタイム・オシロスコープ)をつくる

はじめに
PIC24FJ64GC006を用いて簡易オシロスコープ(リアルタイム・オシロスコープ)を制作しましたのでご紹介します。PIC24FJ64GC006のADC変換時間は、1.75µsほどですが、トリガー機能やシリアル通信機能をソフトウェアで行うと、安定して取得するためには8μsほど掛かるため、制作した簡易オシロスコープのサンプリングレートは、125KS/sです。
用意するもの
制作に必要なものは下記の通りです。
- PICマイコンPIC24FJ64GC006を1つ:PCB製造メーカーで、表面実装してください。
- ガーバーファイル
:PCB製造メーカーに、基板製造依頼してください。 - CH340E USBシリアル変換モジュール Type-Cを1つ
- C基板用アクリルパネル(アクリル板) 2mm厚(透明)を2つ
- スペーサー M3 5mm TP-5SMを4つ
- 3mmプラネジ(5mm)を4つ
- 3mm六角ナット M3を4つ
- スペーサー M3 18mm TP-18を4つ
- I2Cバス用双方向電圧レベル変換モジュール(PCA9306)を2つ:3.3V←→5Vのレベル変換に用います
- 3mm赤色LED 625nm 70度 OSR5JA3Z74Aを1つ
- クリスタルオシレーター 正方形 8MHzを1つ
- スライドスイッチ ISH-1260-HA-Gを1つ:5V、3.3Vの切り替え
- BNCコネクター BNC-J 基板取付型横向きを2つ
- 低損失レギュレーター LP2950L-33-T92 3.3V100mAを1つ:5Vから3.3Vをつくる
- 積層セラミックコンデンサー 10μF50V X7S 5mmを1つ:5Vから3.3Vをつくる
- 積層セラミックコンデンサー 0.1μF50V X7R 2.54mmを1つ:5Vから3.3Vをつくる
- 積層セラミックコンデンサー 0.1μF50V X7R 2.54mmを1つ
- 積層セラミックコンデンサー 1μF50V X7R 5mmを1つ:マイコン用
- 積層セラミックコンデンサー 10μF50V X7S 5mmを2つ:マイコン用
- ダイオード 1N5819を2つ
- 多回転半固定ボリューム 3006P 20kΩを1つ:分圧
- カーボン抵抗(炭素皮膜抵抗) 1/4W20kΩを1つ:分圧
- カーボン抵抗(炭素皮膜抵抗) 1/6W1kΩを1:保護
- カーボン抵抗(炭素皮膜抵抗) 1/6W10kΩを1つ:マイコン用
- カーボン抵抗(炭素皮膜抵抗) 1/6W330Ωを1つ:LED用
![]() |
| ▲ 開発当初はユニバーサル基板を使ったが、 写真の基板はPCB製造メーカーに発注した。 |
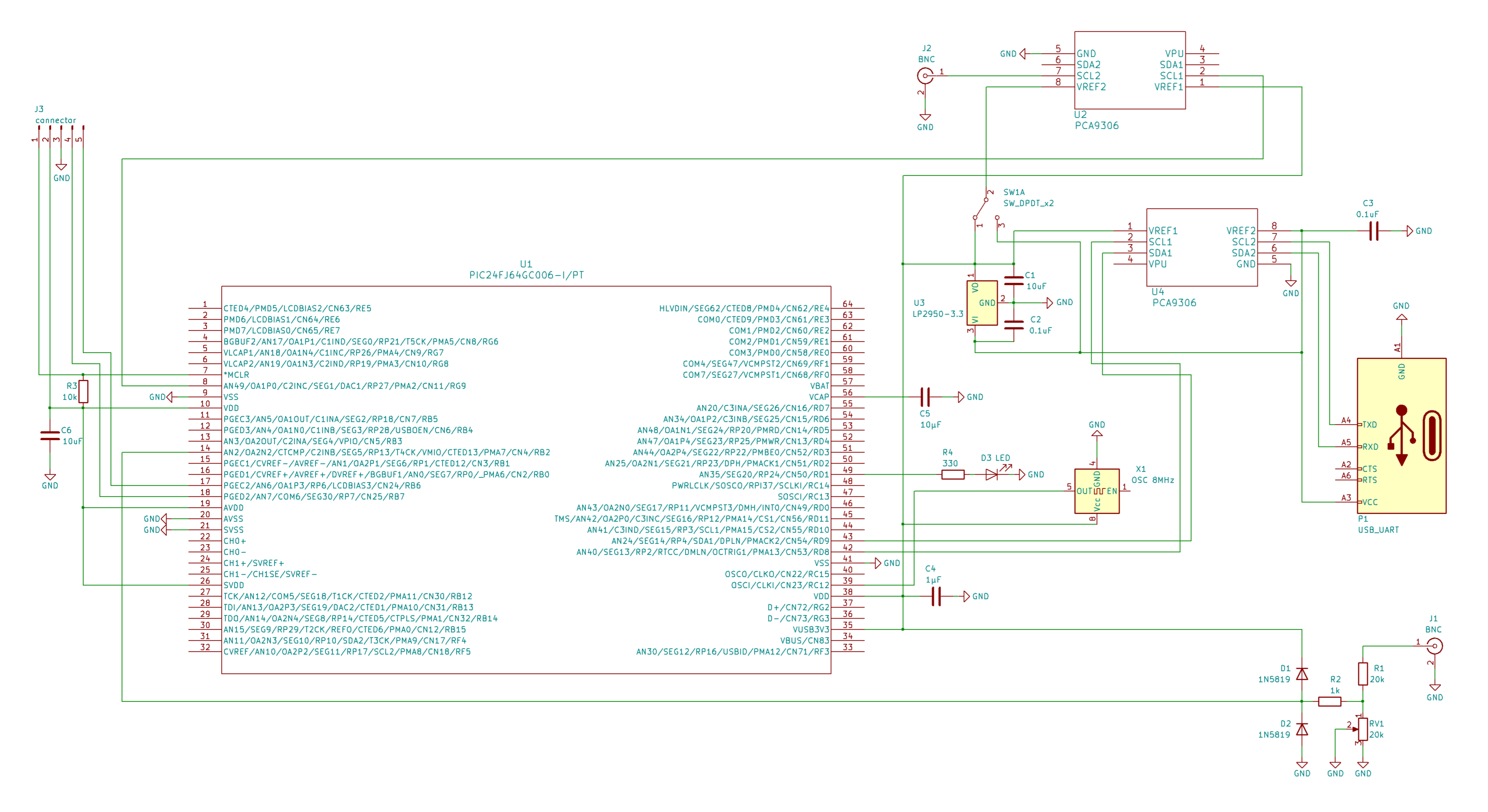
回路図
簡易オシロスコープの回路は上図のようになります。
信号入力の回路は、分圧により、0V-10Vを入力することができます。Wave Generatorの回路は、レベル変換することにより、スイッチで3.3Vと5Vが選択できます。
信号入力の回路は、分圧により、0V-10Vを入力することができます。Wave Generatorの回路は、レベル変換することにより、スイッチで3.3Vと5Vが選択できます。
1)信号入力は、20kΩの抵抗と20kΩのボリュームで分圧しています。2:1になるよう、ボリュームで調整します。
2)3.3V←→5Vのレベル変換するのには、I2Cバス用レベル変換モジュール PCA9306を利用します。
レベル変換モジュールに何を選択するか、またプルアップ抵抗の抵抗値を何にするかによって、高周波数信号の波形がなまってきます。 色々なPICマイコンへの書き込みで試しましたが、PCA9306でもいけます。
ソフトウェア
オシロスコープ操作
下記のように、PCとUSB接続(仮想COM、UART)して、PCより操作します。
Windows用ソフト(2026.1.20更新)
1)簡易オシロスコープのCH1にターゲットの信号を入力します。
2)PCとUSB接続(仮想COM、UART)して、PCより簡易オシロスコープを操作します。自作のWindows用ソフトを作成しましたので、下記に紹介します。
Windows用ソフト(2026.1.20更新)

![]() |
簡易オシロスコープをPCとUSB接続します。そして、PC側より、Windows用ソフトを起動し、リストからデバイスを選択します。 |
![]() |
「running」の状態で、入力信号がある場合、Windows用ソフトに波形が表示されます。 |
![]() |
入力信号をOffします。 |
![]() |
トリガーを設定します。 |
![]() |
入力信号をOnすると、トリガーにより、波形を捉えることができます。 |
終わりに
以上です。この他にも、自作PICライタを制作したりしています。






